Bekijk hieronder onze staffelkorting:
Waarom kiezen voor Verstelbare Paalhouder M20 voor 10 x 10 tot 12 x 12 cm palen - Per Stuk?
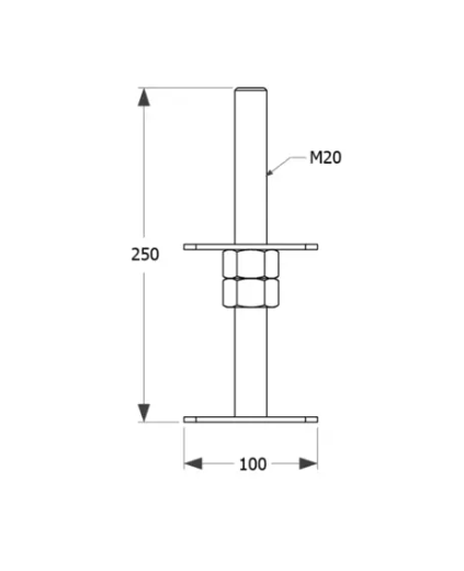
- In hoogte verstelbaar van 4 tot 25 cm
- Sterk, verzinkt staal
Verstelbare Paalhouder M20 voor 10 x 10 tot 12 x 12 cm palen - Per Stuk
Als u op zoek bent naar een verstelbare paalhouder, dan is onze verstelbare paalhouder M20 10 x 10 cm wellicht precies wat u nodig heeft. Met een totale lengte van 250 mm en een breedte van 100 mm, is deze kolomvoet geschikt voor palen met een grootte van 10 x 10 tot 12 x 12 cm. Deze paalhouder is verstelbaar dit dankzij de verschillende onderdelen waaruit het bestaat.
Deze verstelbare paalhouder bestaat uit:
- Twee stalen platen van 100 x 100 mm
- M20 schroefdraad (250 mm lang)
- Twee M20 bouten
Monteren paalhouder M20 verzinkt
Wanneer u de verstelbare paalhouder monteert, is het belangrijk om bepaalde stappen te volgen voor een stevige en veilige installatie:
Voorbereiding
Zorg ervoor dat u alle benodigdheden heeft, denk hierbij aan gereedschap, M10 houtdraadbouten, 7 mm hardhoutboor, nylon pluggen en eventueel sluitringen voor extra stevigheid.
Voorboren
Voordat u begint met het monteren van een houten paal, is het aan te raden om eerst voor te boren met een 7 mm hardhoutboor.
Bevestiging in beton
Als u van plan bent de paalhouder in beton te bevestigen, raden we aan om onze houtdraadbouten M10 te combineren met onze nylon pluggen voor een stevige verankering. Boor gaten in het beton op de gewenste locaties. Vul de geboorde gaten met de nylon pluggen. Schroef de houtdraadbouten stevig vast in de nylon pluggen.Voor een hoger klembereik en betere bescherming van de paalhouder, raden we aan om sluitringen M10 te gebruiken bij het bevestigen. Met deze zorgvuldige aanpak kunt u er zeker van zijn dat de verstelbare paalhouder stevig en veilig wordt gemonteerd.
Kolomvoet 10 x 10 M20 bestellen?
Bestel uw verstelbare kolomvoet 10 x 10 bij Wovar voor de Laagste prijs! Bedrijven in de bouw- en tuinbranche profiteren van extra voordeel, zoals een vaste zakelijke korting.
Toch net niet helemaal wat u zoekt? Bekijk ons volledige assortiment paalhouders of paalhouders vlak.
Productspecificaties:
| Merk | Wovar |
|---|---|
| Artikelnummer | WV014924 |
| EAN code | 8720647834043 |
| Kleur | Grijs |
| Kenmerk 1 | Voor gebruik op stevige ondergrond |
| Kenmerk 2 | CE Keurmerk - ETA18/1165 |
| Type | Kolomvoet |
| Lengte | 250 mm |
| Breedte | 100 mm |
| Balkmaat | 10 x 10 tot 12 x 12 cm |
| Materiaal | Verzinkt staal |
| Toepassing | Carports / Pergola's / Veranda´s / Overkappingen |
| CE-keurmerk | Ja |
| Verstelbaar | Ja |
| Afmetingen (LxB) | 250 x 100 mm |
| Geschikte ondergrond | Beton / Hout |














