Waarom kiezen voor Schroeffundering Hex Top 180 mm - Per Stuk?
- Zeer stevige montage van houten palen
- Eenvoudig te verwijderen en herbruikbaar
- Eenvoudig koppelen met schroeffundament
Schroeffundering Hex Top 180 mm - Per Stuk
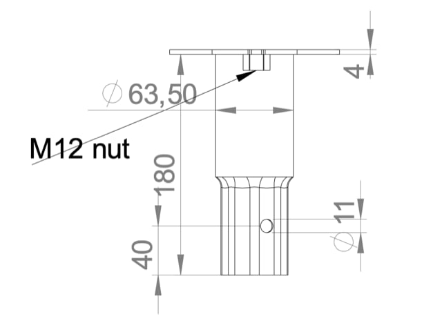
Gaat u zelf aan de slag met de bouw van een pergola, tuinhuis of wilt u een losse houten paal plaatsen voor bijvoorbeeld het bevestigen van een schaduwdoek? Het gebruik van een schroeffundering maakt het zeer eenvoudig om een degelijke fundering in de grond te plaatsen. De hex top is eenvoudig op de 63,5Ø mm schroeffundering te monteren, een koppelstuk is niet nodig. U kunt zowel vierkante palen als ronde palen op de zeskantige platte top monteren. De top is voorzien van in totaal 7 montagegaten. Op de afbeeldingen ziet u alle maten.
Fundering maken
Een schroeffundering in combinatie met de zeskantige top is ideaal voor het maken van een solide fundering voor uw bouwwerk. Denk hierbij aan een pergola, tuinhuisje, speeltoestel of andere constructie. Door de zeskantige kop kan dat ook met ronde palen! Het is eerst zaak om de schroeffunderingen in de grond te draaien. Dit kunt u doen met behulp van een draaistang. Steek de draaistang door de montage ogen van 11 mm en draai de fundering de grond in op de gewenste plek. Na het plaatsen van de schroeffunderingen kunt u aan de slag met het monteren van de hex tops aan uw houten palen. Boor uw houten paal eerst voor, zodat u de bevestigingsmaterialen eenvoudig in de paal draait. Vervolgens kunt u het geheel op de schroeffundering zetten. Schuif de buis van de hex top in de schroeffundering en zorg ervoor de montage ogen van de top precies aan dezelfde kant zitten als de montage ogen van de schroeffundering. Nu kunt u het geheel aan elkaar vastzetten met de meegeleverde bout.
Schroeffundering plaatsen
Het plaatsen van een schroeffundering is helemaal niet moeilijk. In onderstaande video legt Jesse stap voor stap aan u uit hoe u de schroeffundering moet plaatsen.
Fundering kopen
Bestel uw fundering nu voordelig bij Wovar en zorg voor een solide fundament voor uw bouwwerk. Bedrijven in de bouw- klussector en hoveniers profiteren bij Wovar van vele voordelen met een zakelijk account. U ontvangt dan onder andere een vaste zakelijke korting, een vast contactpersoon en een handig orderoverzicht.
Toch op zoek naar een andere vorm van fundering voor uw houten palen? U kunt ook voor een U-beugel kiezen in ons assortiment schroeffunderingen. Of bekijk ons assortiment paalhouders en poeren voor alle alternatieven.
Productspecificaties:
| Merk | Wovar |
|---|---|
| Artikelnummer | WV004544 |
| EAN code | 8720647812652 |
| Kenmerk 1 | Netto lengte van 100 mm |
| Kenmerk 2 | M10 bout meegeleverd |
| Type | Schroeffundament |
| Materiaal | Verzinkt staal |











